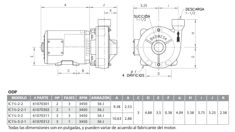
61070302 | IC1½ 2 2 | Bomba Centrífuga Alta Presión | Barmesa Pumps | Motor Eléctrico
Descripción
CARACTERÍSTICAS
SUCCIÓN
1 1/2″ (3.81CM) NPT Horizontal
DECARGA
1 1/2″ (3.81CM) NPT Vertical
CUERPO
Hierro gris ASTM A-48, clase 30.
ACOPLAMIENTO
Hierro gris ASTM A-48, clase 30.
IMPULSOR
Diseño: 4 álabes, tipo cerrado, balanceado estáticamente.
Material: Noryl.
SELLO MECÁNICO
Diseño: mecánico, lubricado en agua.
Material: cerámica parte estacionaria, anillo de carbón y sello de exclusión parte rotatoria. Elastómero de Buna-N y resorte de acero inoxidable.
MOTOR
Motores eléctricos totalmente cerrados con ventilación externa o abiertos a prueba de goteo, de alta calidad, diseñados y desarrollados conforme a los estándares para aplicaciones de bombeo industrial y comercial.
¡IMPORTANTE!
* No utilice la bomba para bombear líquidos explosivos ni corrosivos.
* Esta bomba no está aprobada para ser utilizada en piscinas, instalaciones recreativas, o cualquier aplicación donde el contacto humano con la bomba sea común.
* Prueba realizada con agua, gravedad específica 1.0 @ 20°C (68°F); otros líquidos pueden variar el rendimiento.
Notas:
1. Motor de 2HP con armazón 56 marca WEG US MOTORS.
2. Motor de 3HP trifásico marca WEG o US MOTORS NIDEC.
– INCLUYE IVA+ Envíos sin costo a partir de $500.000 pesos, en Bogotá.
– Consulte al asesor la disponibilidad del equipo y los descuentos especiales.