Descripción
CARACTERÍSTICAS
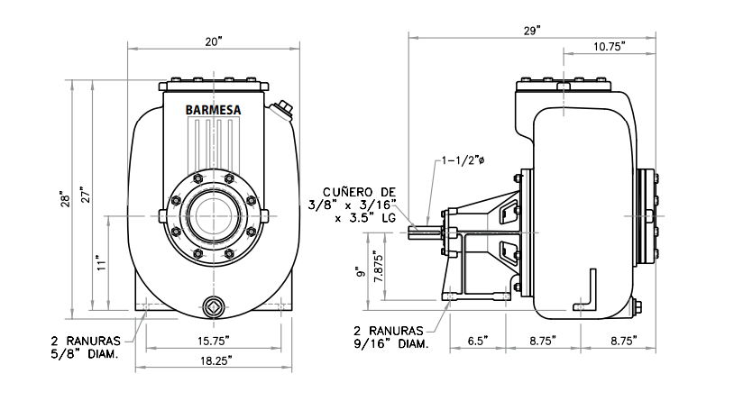
SUCCIÓN
6″ (15.24 cm) NPT horizontal con brida.
DESCARGA
6″ (15.24 cm) NPT vertical.
TEMPERATURA MÁXIMA DEL LÍQUIDO
Continuo: 71° C (160° F).
VOLUTA
Hierro gris ASTM A-48, clase 30.
CUERPO
Hierro gris ASTM A-48, clase 30.
BASTIDOR
Hierro gris ASTM A-48, clase 30.
IMPULSOR
Diseño: 4 álabes, tipo semiabierto, balanceado
dinámicamente.
Material: hierro gris ASTM A-48, clase 30.
¡IMPORTANTE!
* No utilice la bomba para bombear líquidos explosivos ni corrosivos.
* Esta bomba no está aprobada para ser utilizada en piscinas, instalaciones recreativas,
o cualquier aplicación donde el contacto humano con la bomba sea común.
* La bomba puede operar en seco por un largo período sin que se dañe el motor y/o
sello.
– INCLUYE IVA+ Envíos sin costo a partir de $500.000 pesos, en Bogotá.
– Consulte al asesor la disponibilidad del equipo y los descuentos especiales.







