Descripción
CARACTERÍSTICAS
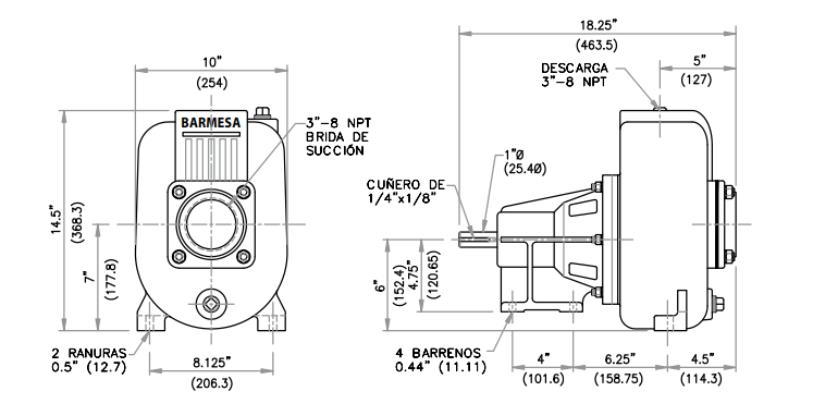
SUCCIÓN
3″ (7.62 cm) brida roscada NPT horizontal.
DESCARGA
3″ (7.62 cm) brida roscada NPT vertical.
TEMPERATURA MÁXIMA DEL LÍQUIDO
Continuo: 71 °C (160 °F).
VOLUTA
Hierro gris ASTM A-48, clase 30.
CUERPO
Hierro gris ASTM A-48, clase 30.
BASTIDOR
Hierro gris ASTM A-48, clase 30.
IMPULSOR
Diseño: 5 álabes, tipo semiabierto, balanceado
dinámicamente.
Material: hierro gris ASTM A-48, clase 30.
¡IMPORTANTE!
* No utilice la bomba para bombear líquidos explosivos ni corrosivos.
* Esta bomba no está aprobada para ser utilizada en piscinas, instalaciones recreativas,
o cualquier aplicación donde el contacto humano con la bomba sea común.
* La bomba puede operar en seco por un largo período sin que se dañe el motor y/o
sello.
– INCLUYE IVA+ Envíos sin costo a partir de $500.000 pesos, en Bogotá.
– Consulte al asesor la disponibilidad del equipo y los descuentos especiales.






